Переходники для кокилей гост 21090-75 | |||||||||||||||||||
|
|||||||||||||||||||
|
|||||||||||||||||||
|
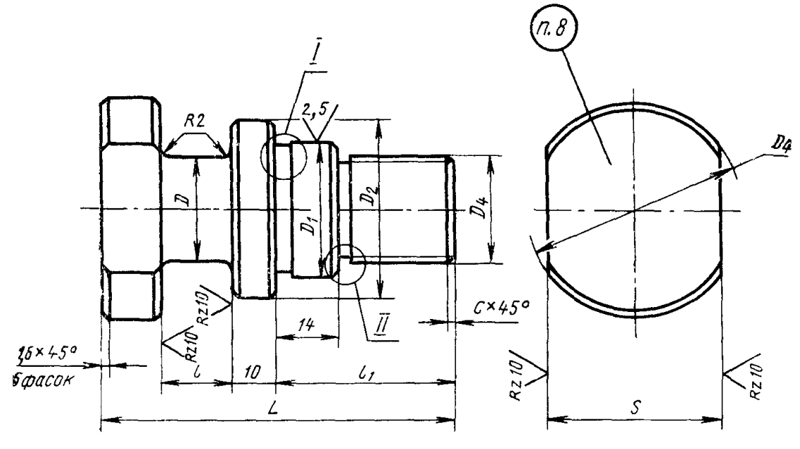
Изготавливаем переходники, предназначенные для крепления плит выталкивателей к штоку кокильных машин по ГОСТ 21090-75, а именно: Переходник 0401-1101 ГОСТ 21090-75, Переходник 0401-1102 ГОСТ 21090-75, Переходник 0401-1103 ГОСТ 21090-75, Переходник 0401-1104 ГОСТ 21090-75, Переходник 0401-1105 ГОСТ 21090-75, Переходник 0401-1106 ГОСТ 21090-75, Переходник 0401-1107 ГОСТ 21090-75, Переходник 0401-1108 ГОСТ 21090-75. Можем делать как условные размеры М24, М30х1,5, М36х1,5, так и по вашим чертежам и параметрам, из сталей 45, 40Х, 40Х13, а так же возможна замена на другие стали с механическими свойствами не ниже, чем у Ст.45. Данный переходник идет с термической обработкой HRC 35-40 и покрытием Хим.Окс.прм (05) или же любым другим по вашему желанию.
Моб. +7(950)848-55-19 Раб. +7(991)086-37-37 https://rskrepeg.ru rsk_161@mail.ru ООО ТПК «СпецРусМетиз»
кокильная машина, машина кокильного литья, кокильные машины для литья металлов, купить кокильную машину, кокильная машина для литья алюминия, выталкиватель, кокиль, литье в кокиль, отливка в кокиль |
|||||||||||||||||||
Быстрые ссылки |
|||||||||||||||||||
Отзывы |
|||||||||||||||||||
|
Warning: mysqli_connect(): (HY000/1045): Access denied for user 'steellandru'@'172.17.0.1' (using password: YES) in /var/www/www-root/data/www/steelland.ru/con_to_db.php on line 6 Warning: mysqli_query() expects parameter 1 to be mysqli, bool given in /var/www/www-root/data/www/steelland.ru/con_to_db.php on line 7 Warning: mysqli_real_escape_string() expects parameter 1 to be mysqli, bool given in /var/www/www-root/data/www/steelland.ru/callback/funcComment.php on line 27 Warning: mysqli_real_escape_string() expects parameter 1 to be mysqli, bool given in /var/www/www-root/data/www/steelland.ru/callback/funcComment.php on line 28 Warning: mysqli_query() expects parameter 1 to be mysqli, bool given in /var/www/www-root/data/www/steelland.ru/callback/funcComment.php on line 43 Warning: count(): Parameter must be an array or an object that implements Countable in /var/www/www-root/data/www/steelland.ru/callback/commentView.php on line 16 Добавить отзыв |
|||||||||||||||||||
Похожие объявления
|
|||||||||||||||||||
Выберите город по первой букве и перейдите по ссылке. Рядом с названием указано количество объявлений из этого города.












